ПТУ работает на водяном паре с параметрами: p1 = 13,5 МПа и t1 - Ответ на вопрос по ТТ №292365
Вопрос
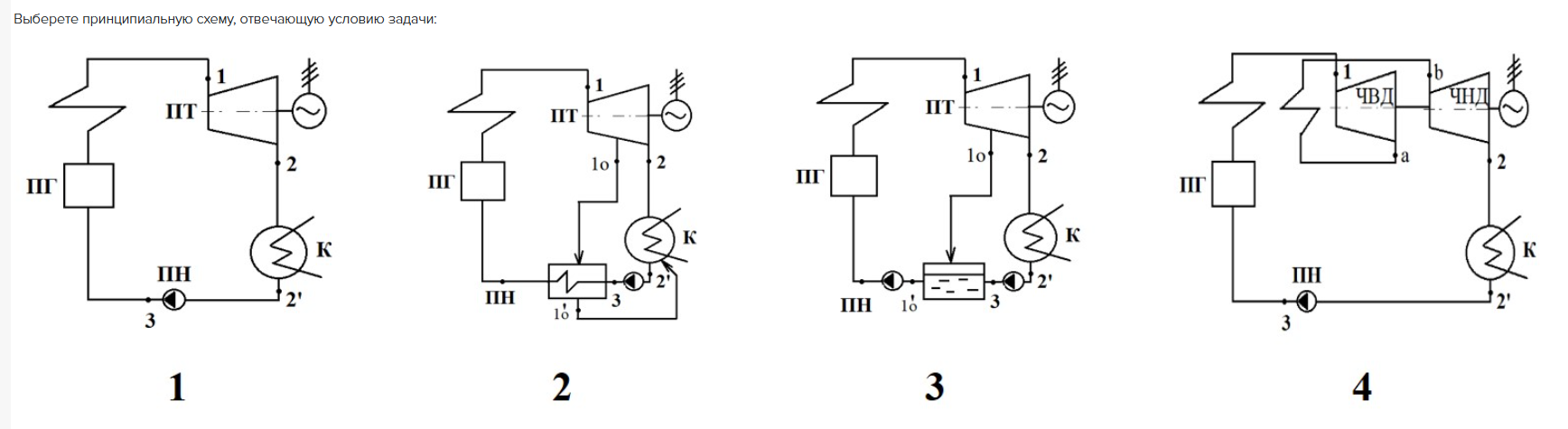
ПТУ работает на водяном паре с параметрами: p1 = 13,5 МПа и t1 = 590 ℃, p2 = 3,4 кПа. Мощность установки Nэ = 200 МВт. Определить внутренний и термический КПД цикла, часовой и удельный расход условного топлива, если ηтоi = 0,92; ηноi = 0,86; ηка = 0,9; ηм = 0,96; ηпп = 0,99; ηг = 0,98.Выберете принципиальную схему, отвечающую условию задачи:

Ответ

🎓 Поможем сдать всё — тесты, практику, экзамены, курсовые, дипломы, отчёты! Закроем долги под ключ 🔑 Ведём от первой сессии до диплома 🏆 Работаем с Синергией, МЭИ и другими вузами 🤝 Гарантия результата или возврат денег 💰 Пиши! 🚀
meimei1337














