ПТУ мощностью 100 МВт работает на водяном паре при следующих - Ответ на вопрос по ТТ №148393
Вопрос
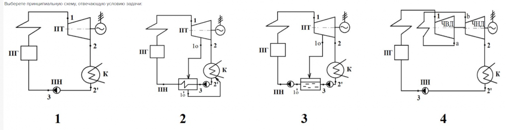
ПТУ мощностью 100 МВт работает на водяном паре при следующих параметрах: p1 = 13 МПа и t1 = 450 ℃ и p2 = 0,04 бар. Регенеративный подогрев питательной воды осуществляется за счет отбора пара в подогреватель поверхностного типа при p0 = 10 бар. Недогрев питательной воды до температуры насыщения греющего пара равен 4,8 ℃.Выберете принципиальную схему, отвечающую условию задачи:
Ответ

🎓 Поможем сдать всё — тесты, практику, экзамены, курсовые, дипломы, отчёты! Закроем долги под ключ 🔑 Ведём от первой сессии до диплома 🏆 Работаем с Синергией, МЭИ и другими вузами 🤝 Гарантия результата или возврат денег 💰 Пиши! 🚀
meimei1337














