Ответ на вопрос по схемотехнике №736170: В схеме запоминающего элемента АЗУ транзисторы VT1 и VT2 используются ... Выберите один ответ: в качестве нагрузочных сопротивлений для обеспечения операций записи и считывания реализации логической операции "Исключающее ИЛИ" для хранения информации В схеме запоминающего элемента АЗУ транзисторы VT1 и - Ответ на вопрос по схемотехнике №736170В схеме запоминающего элемента АЗУ транзисторы VT1 и - Ответ на вопрос по схемотехнике №736170
2025-06-162025-06-16СтудИзба
В схеме запоминающего элемента АЗУ транзисторы VT1 и - Ответ на вопрос по схемотехнике №736170
Вопрос
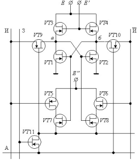
В схеме запоминающего элемента АЗУ транзисторы VT1 и VT2 используются ...
Выберите один ответ:- в качестве нагрузочных сопротивлений
- для обеспечения операций записи и считывания
- реализации логической операции "Исключающее ИЛИ"
- для хранения информации
Ответ

Если нужен другой вариант работы или отдельная задача из любой работы, пишите в комментарии
















