Ответ на вопрос по схемотехнике №736136: Расчётная задержка импульса при С=68 нФ и R=550 Ом (если считать пороговым напряжением середину логического перепада) - ... Выберите один ответ: 7,7 мкс 8,2 мкс 26,2 мкс 14,1 мкс 3,5 мкс 11,8 мкс 23,1 мкс 2,1 мкс Расчётная задержка импульса при С=68 нФ и R=550 Ом - Ответ на вопрос по схемотехнике №736136Расчётная задержка импульса при С=68 нФ и R=550 Ом - Ответ на вопрос по схемотехнике №736136
2025-06-162025-06-16СтудИзба
Расчётная задержка импульса при С=68 нФ и R=550 Ом - Ответ на вопрос по схемотехнике №736136
Вопрос
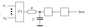
Расчётная задержка импульса при С=68 нФ и R=550 Ом (если считать пороговым напряжением середину логического перепада) - ...
Выберите один ответ:- 7,7 мкс
- 8,2 мкс
- 26,2 мкс
- 14,1 мкс
- 3,5 мкс
- 11,8 мкс
- 23,1 мкс
- 2,1 мкс
Ответ

Если нужен другой вариант работы или отдельная задача из любой работы, пишите в комментарии

















