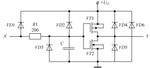
Ответ на вопрос по схемотехнике №736059: В полной эквивалентной схеме инвертора КМОП резистор R защищает ... Выберите один ответ: выход предыдущего ЛЭ от импульсной перегрузки изоляцию затворов транзисторов VT1 и VT2 от пробоя выход данного ЛЭ от пробоя каналы транзисторов от ошибочной перемены полярности питания В полной эквивалентной схеме инвертора КМОП резистор - Ответ на вопрос по схемотехнике №736059В полной эквивалентной схеме инвертора КМОП резистор - Ответ на вопрос по схемотехнике №736059
2025-06-162025-06-16СтудИзба
В полной эквивалентной схеме инвертора КМОП резистор - Ответ на вопрос по схемотехнике №736059
Вопрос
В полной эквивалентной схеме инвертора КМОП резистор R защищает ...
Выберите один ответ:- выход предыдущего ЛЭ от импульсной перегрузки
- изоляцию затворов транзисторов VT1 и VT2 от пробоя
- выход данного ЛЭ от пробоя
- каналы транзисторов от ошибочной перемены полярности питания
Ответ

Если нужен другой вариант работы или отдельная задача из любой работы, пишите в комментарии

















