Для заданных допусков формы и расположения 1-3 (см. рис.) - Ответ на вопрос по НТвМ №20154
-42%
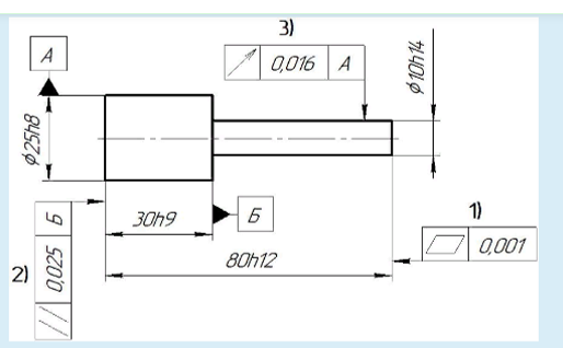
Вопрос
Для заданных допусков формы и расположения 1-3 (см. рис.) определите:1. Степень точности допуска формы и расположения поверхностей по ГОСТ 24643.
2. Результаты занесите в таблицу 1.

Ответ

Если нужен другой вариант работы или отдельная задача из любой работы, пишите в комментарии
















