Ответ на вопрос №20153: Для заданных допусков формы и расположения 1-3 (см. рис.) определите: 1. Название допуска формы и расположения поверхностей. 2. Группу допуска формы и расположения поверхностей. 3. Результаты занесите в таблицу 1. Для заданных допусков формы и расположения 1-3 (см. рис.) определите: - Ответ на вопрос №20153Для заданных допусков формы и расположения 1-3 (см. рис.) определите: - Ответ на вопрос №20153
2024-02-032024-02-03СтудИзба
Для заданных допусков формы и расположения 1-3 (см. рис.) определите: - Ответ на вопрос №20153
-47%
Вопрос
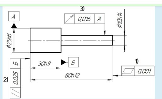
Для заданных допусков формы и расположения 1-3 (см. рис.) определите:1. Название допуска формы и расположения поверхностей.
2. Группу допуска формы и расположения поверхностей.
3. Результаты занесите в таблицу 1.

Ответ

Если нужен другой вариант работы или отдельная задача из любой работы, пишите в комментарии
















