Ответ на вопрос по начертательной геометрии №17258: Ошибки чертежа: Выберите один или несколько ответов: • указан масштаб уменьшения • обозначение обозначено прописной буквой • масштаб указан под буквой обозначения • обозначение подчеркнуто Ошибки чертежа: Выберите один или - Ответ на вопрос по начертательной геометрии №17258Ошибки чертежа: Выберите один или - Ответ на вопрос по начертательной геометрии №17258
2024-01-292024-01-29СтудИзба
Ошибки чертежа: Выберите один или - Ответ на вопрос по начертательной геометрии №17258
-47%
Вопрос
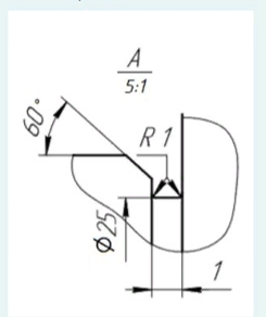
Ошибки чертежа:
• указан масштаб уменьшения
• обозначение обозначено прописной буквой
• масштаб указан под буквой обозначения
• обозначение подчеркнуто
Ответ

Если нужен другой вариант работы или отдельная задача из любой работы, пишите в комментарии