Ответ на вопрос по информатике №4013: На входе логической схемы при F=1 возможна следующая комбинация сигналов (А. В, С) (1 0 1) (0 1 1) (1 1 0)На входе логической схемы при F=1 возможна следующая - Ответ на вопрос по информатике №4013На входе логической схемы при F=1 возможна следующая - Ответ на вопрос по информатике №4013
2023-12-152023-12-15СтудИзба
На входе логической схемы при F=1 возможна следующая - Ответ на вопрос по информатике №4013
-47%
Вопрос
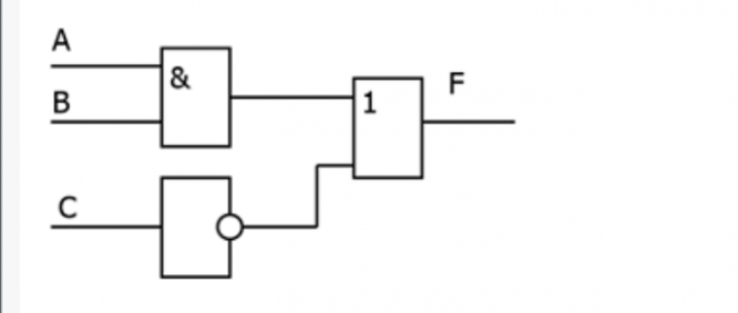
На входе логической схемы при F=1 возможна следующая комбинация сигналов (А. В, С)(1 0 1)
(0 1 1)
(1 1 0)
Ответ

Хочешь зарабатывать на СтудИзбе больше 10к рублей в месяц? Научу бесплатно!
Начать зарабатывать
Начать зарабатывать
zzyxel















