Ответ на вопрос по физике №932310: Для представленной цепи задано: действующее значение линейных напряжений 380 В; R=ХL=ХС=110 Ом. Ваттметры включены по схеме измерения активной мощности всей трехфазной системы. Определите активную мощность трехфазной системы (то есть сумму показаний всех ваттметров). Ответ дайте в ваттах с точностью до целого значения.Для представленной цепи задано: действующее значение - Ответ на вопрос по физике №932310Для представленной цепи задано: действующее значение - Ответ на вопрос по физике №932310
2025-08-122025-08-12СтудИзба
Для представленной цепи задано: действующее значение - Ответ на вопрос по физике №932310
Вопрос
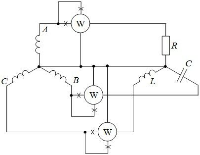
Для представленной цепи задано: действующее значение линейных напряжений 380 В; R=ХL=ХС=110 Ом. Ваттметры включены по схеме измерения активной мощности всей трехфазной системы.
Определите активную мощность трехфазной системы (то есть сумму показаний всех ваттметров).
Ответ дайте в ваттах с точностью до целого значения.
Ответ

Если нужен другой вариант работы или отдельная задача из любой работы, пишите в комментарии













