Ответ на вопрос по электронике №64744: Какое утверждение является правильным? При напряжении на вторичной обмотке трансформатора E2 =10 В в схеме, напряжение на нагрузке: Uн =10 B Uн =17 B Uн =23,4 B Какое утверждение является правильным? При напряжении - Ответ на вопрос по электронике №64744Какое утверждение является правильным? При напряжении - Ответ на вопрос по электронике №64744
2024-04-192024-04-19СтудИзба
Какое утверждение является правильным? При напряжении - Ответ на вопрос по электронике №64744
-32%
Вопрос
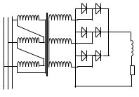
Какое утверждение является правильным?При напряжении на вторичной обмотке трансформатора E2 =10 В в схеме, напряжение на нагрузке:

- Uн =10 B
- Uн =17 B
- Uн =23,4 B
Ответ

Гарантия сдачи без лишних хлопот! ✅🎓 Ответы на тесты по любым дисциплинам, базы вопросов, работы и услуги для Синергии, МЭИ и других вузов – всё уже готово! 🚀 🎯📚 Гарантия качества – или возврат денег! 💰✅