Ответ на вопрос по электронике №321749: Какой сигнал нужно подать на вход Uвх1 для получения логического нуля на выходе, если Uвх2='1'? Прямое падение напряжения на диодах считать равным 0.8 В, Uэб=0.8 В. Логический ноль. Вопрос некорректен. Логическую единицу. Какой сигнал нужно подать на вход Uвх1 для получения - Ответ на вопрос по электронике №321749Какой сигнал нужно подать на вход Uвх1 для получения - Ответ на вопрос по электронике №321749
2025-03-272025-03-27СтудИзба
Какой сигнал нужно подать на вход Uвх1 для получения - Ответ на вопрос по электронике №321749
-47%
Вопрос
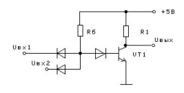
Какой сигнал нужно подать на вход Uвх1 для получения логического нуля на выходе, если Uвх2='1'? Прямое падение напряжения на диодах считать равным 0.8 В, Uэб=0.8 В.
- Логический ноль.
- Вопрос некорректен.
- Логическую единицу.
Ответ

Если нужен другой вариант работы или отдельная задача из любой работы, пишите в комментарии