Ответ на вопрос по электронике №321748: Рассчитайте максимальное значение Uвх, при котором диод закрыт, если Rг=0 Ом, R=Rн=1 кОм, Е1=2 В. Диод идеальный. Рассчитайте максимальное значение Uвх, при котором - Ответ на вопрос по электронике №321748Рассчитайте максимальное значение Uвх, при котором - Ответ на вопрос по электронике №321748
2025-03-272025-03-27СтудИзба
Рассчитайте максимальное значение Uвх, при котором - Ответ на вопрос по электронике №321748
-47%
Вопрос
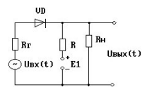
Рассчитайте максимальное значение Uвх, при котором диод закрыт, если Rг=0 Ом, R=Rн=1 кОм, Е1=2 В. Диод идеальный.
Ответ

Если нужен другой вариант работы или отдельная задача из любой работы, пишите в комментарии

















