Ответ на вопрос по электронике №321746: Оба входа подключены к выходу аналогичного элемента с Uвых=0.2 В. Определите величину входного тока изображенного элемента ТТЛ. Прямое падение напряжения на диоде полагать равным 0.8 В, Uэб=0.8 В, падение напряжения на насыщенном транзисторе Uкэ=0.2 В, Rб=4 кОм. Оба входа подключены к выходу аналогичного элемента с - Ответ на вопрос по электронике №321746Оба входа подключены к выходу аналогичного элемента с - Ответ на вопрос по электронике №321746
2025-03-272025-03-27СтудИзба
Оба входа подключены к выходу аналогичного элемента с - Ответ на вопрос по электронике №321746
-47%
Вопрос
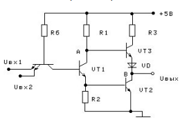
Оба входа подключены к выходу аналогичного элемента с Uвых=0.2 В. Определите величину входного тока изображенного элемента ТТЛ. Прямое падение напряжения на диоде полагать равным 0.8 В, Uэб=0.8 В, падение напряжения на насыщенном транзисторе Uкэ=0.2 В, Rб=4 кОм.
Ответ

Если нужен другой вариант работы или отдельная задача из любой работы, пишите в комментарии















