Ответ на вопрос по электронике №321735: Рассчитайте длительность выходного импульса, если U1 вых=3.6 В, Uпор=1.5 В, R=500 Ом, R 1 вых=100 Ом, С=0.01 мкФ, tи запуска=1 мкс. Рассчитайте длительность выходного импульса, если U1 - Ответ на вопрос по электронике №321735Рассчитайте длительность выходного импульса, если U1 - Ответ на вопрос по электронике №321735
2025-03-272025-03-27СтудИзба
Рассчитайте длительность выходного импульса, если U1 - Ответ на вопрос по электронике №321735
-47%
Вопрос
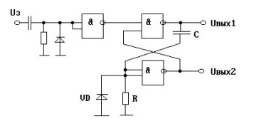
Рассчитайте длительность выходного импульса, если U1 вых=3.6 В, Uпор=1.5 В, R=500 Ом, R 1 вых=100 Ом, С=0.01 мкФ, tи запуска=1 мкс.
Ответ

Если нужен другой вариант работы или отдельная задача из любой работы, пишите в комментарии

















