Ответ на вопрос по электронике №321727: Определите схемы замещения приборов. Определите схемы замещения приборов. - Ответ на вопрос по электронике №321727Определите схемы замещения приборов. - Ответ на вопрос по электронике №321727
2025-03-272025-03-27СтудИзба
Определите схемы замещения приборов. - Ответ на вопрос по электронике №321727
-47%
Вопрос
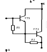
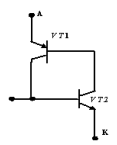
Определите схемы замещения приборов.Ответ

Если нужен другой вариант работы или отдельная задача из любой работы, пишите в комментарии





















