Укажите верное логическое уравнение, соответствующее - Ответ на вопрос по электронике №1109254
-32%
Вопрос
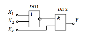
Укажите верное логическое уравнение, соответствующее принципиальной схеме устройства:
Ответ

Если нужен другой вариант работы или отдельная задача из любой работы, пишите в комментарии














