Вопрос есть в коллекциях
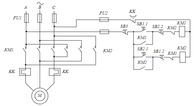
Номинальное напряжение магнитного пускателя, предназначенного для управления асинхронным электродвигателем с короткозамкнутым ротором определяется по условию…
- Iнп ≥ Iнэд
- Uнм ≥ Uнэд
- Uнм ≥ Uнэд
meimei1337











id133069387




shalenysh






















alexanderivanov




































