Ответ на вопрос по черчению №619439: Выберите резьбу, изображенную на чертеже. трубная резьба в отверстии трапецеидальная резьба на стержне метрическая резьба в отверстии прямоугольная резьба на стержне Выберите резьбу, изображенную на чертеже. трубная - Ответ на вопрос по черчению №619439Выберите резьбу, изображенную на чертеже. трубная - Ответ на вопрос по черчению №619439
2025-05-182025-05-18СтудИзба
Выберите резьбу, изображенную на чертеже. трубная - Ответ на вопрос по черчению №619439
Вопрос
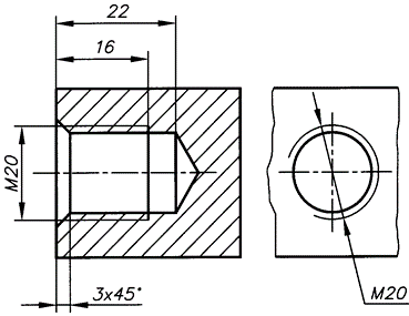
Выберите резьбу, изображенную на чертеже.
- трубная резьба в отверстии
- трапецеидальная резьба на стержне
- метрическая резьба в отверстии
- прямоугольная резьба на стержне
shalenysh




















