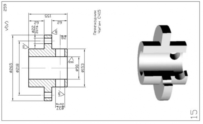
Для студентов МГТУ им. Н.Э.Баумана по предмету Технология конструкционных материалов (ТКМ)Разработка технологии изготовления отливок - ПереходникРазработка технологии изготовления отливок - Переходник
4,685313
2021-04-022021-04-02СтудИзба
ДЗ 1: Разработка технологии изготовления отливок - Переходник вариант 15, 23
Описание
Рассмотрены два варианта расположения, рассчитаны припуски, уклоны и КИМ-ы для обоих вариантов, а также литниковая система, чертежи литейной формы и модельный комплект для более технологичного. Во вложениях есть файл маткада со всеми расчетами.

Характеристики домашнего задания
Учебное заведение
Номер задания
Просмотров
476
Качество
Идеальное компьютерное
Размер
426,48 Kb
Список файлов
tkm.xmcd
ТКМ ДЗ1, Литье.doc
Комментарии

Отзыв
всё хорошо

какой преподаватель принимал?

Отзыв
Крутой файл)