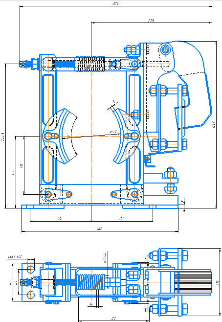
Для студентов МГТУ им. Н.Э.Баумана по предмету Подъёмно-транспортные машины (ПТМ)Чертеж тормозаЧертеж тормоза
5,0051
2022-01-082022-01-08СтудИзба
Другое: Чертеж тормоза
Описание

Характеристики учебной работы
Тип
Учебное заведение
Семестр
Просмотров
108
Размер
67,32 Kb
Список файлов
Тормоз ТКТ-100.cdw
Комментарии
Нет комментариев
Стань первым, кто что-нибудь напишет!
МГТУ им. Н.Э.Баумана
SilverStars














