Для студентов МГТУ им. Н.Э.Баумана по предмету Теоретическая механикаКолебания линейной системы с одной степенью свободыКолебания линейной системы с одной степенью свободы
5,0051
2021-05-032021-05-03СтудИзба
ДЗ 2: Колебания линейной системы с одной степенью свободы вариант 3
Описание
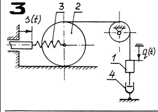
ДЗ 2 по термеху. Принято Карпачем с 1 раза. ![]()

Характеристики домашнего задания
Предмет
Учебное заведение
Семестр
Номер задания
Вариант
Просмотров
48
Размер
1,39 Mb
Список файлов
дз 2
2.jpg
3.jpg
4.jpg
5.jpg
Комментарии
Нет комментариев
Стань первым, кто что-нибудь напишет!
МГТУ им. Н.Э.Баумана
banks_021

















