Для студентов МГТУ им. Н.Э.Баумана по предмету Термовакуумные процессы и оборудование (МТ-11)Задача 1, Вариант 48Задача 1, Вариант 48
4,745273
2022-05-082022-05-08СтудИзба
Задача 1: Задача 1, Вариант 48 вариант 48
Описание
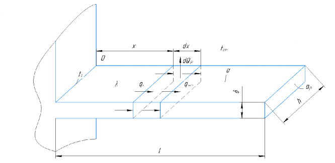
Найти коэффициент эффективности ребра и коэффициент эффективности оребрения для прямого ребра постоянного поперечного сечения толщиной 2,5 мм и длиной 35 мм на плоской стенке, если ребро выполнено: а) из стали 12Х18Н10Т; б) из алюминия; в) из латуни. Условия теплообмена одинаковые, коэффициент теплоотдачи на поверхности ребра 21 [Вт/м2∙К]. Высота ребра 18 мм.
Характеристики решённой задачи
Учебное заведение
Семестр
Номер задания
Вариант
Теги
Просмотров
16
Качество
Идеальное компьютерное
Размер
482,09 Kb
Список файлов
1.pdf
Комментарии
Нет комментариев
Стань первым, кто что-нибудь напишет!
МГТУ им. Н.Э.Баумана


















