Для студентов МГТУ им. Н.Э.Баумана по предмету Теория механизмов и машин (ТММ)Проектирование и исследование механизмов двигателя с гидромеханической трансмиссиейПроектирование и исследование механизмов двигателя с гидромеханической трансмиссией
5,0054
2016-04-182025-04-07СтудИзба
Курсовая работа 145: Проектирование и исследование механизмов двигателя с гидромеханической трансмиссией вариант Д
-50%
Описание
Проектирование и исследование механизмов двигателя с гидромеханической трансмиссией
Реферат
В данной работе производится исследование работы механизмов автомобиля с гидромеханической трансмиссией. Проект состоит из расчетно-пояснительной записки и четырех графических листов.- На первом листе производится определение скорости установившегося движения автомобиля. Строятся графики зависимости передаточных функций и отношений, моментов инерции, движущего момента от значения обобщённой координаты
- На втором листе производится построение годографов сил, действующих в кинематических парах кривошипно-ползунного механизма двигателя. Осуществляется построение планов скоростей и ускорений, а также планов сил, необходимых для проверочного расчёта.
- На третьем листе производятся выбор коэффициентов смещения для проектируемой зубчатой передачи, построение станочного зацепления, необходимого для построения профиля зуба. Строятся зубчатая передача и планетарный редуктор.
- На четвёртом листе определяется закон движения толкателя. Строится фазовый портрет, и определяются неизвестные параметры кулачка и толкателя, после чего выполняется построение профиля кулачка.
- К расчётно-пояснительной записке в приложении прилагаются распечатки результатов расчётов, выполненных на ЭВМ
Содержание
- Реферат.........................................................................................2
- Содержание..................................................................................3
- 1. Техническое задание………………………………………....5
- 1.1 Описание машины………………………………...……...5
- 1.2 Исходные данные…………………………………………7
- 2. Определение скорости автомобиля на установившемся режиме при постоянном сопротивлении движению………………….11
- 2.1 Определение линейных размеров кривошипно-ползунного механизма.............12
- 2.2 Определение кинематических передаточных функций и отношений......................13
- 2.3 Определение силы давления на поршень...........................13
- 2.4 Определение движущего момента.....................................14
- 2.5 Определение моментов на насосном и турбинном колёсах.16
- 2.6 Определение угловой скорости начального звена..............17
- 2.7 Определение скорости движения автомобиля....................18
- 3. Силовой расчет основного механизма.................................19
- 3.1 Аналитический расчет усилий в кинематических парах.....19
- 3.2 Проверка расчетов графическим способом........................20
- 3.2.1 Определение скоростей точек и звеньев..................20
- 3.2.2 Определение ускорений точек и звеньев.................21
- 3.2.3 Определение главных векторов и главных моментов сил инерции..............22
- 3.2.4 Определение реакций в кинематических парах.......22
- 3.3 Сравнение результатов....................................................24
- 4. Расчёт зубчатой передачи и планетарной коробки передач.............25
- 4.1 Расчёт цилиндрической зубчатой передачи масляного насоса...............25
- 4.1.1 Определение качественных показателей зубчатой передачи..........25
- 4.1.2 Выбор коэффициентов смещения............................25
- 4.1.3 Расчёт основных геометрических параметров зубчатой передачи..........26
- 4.1.4 Станочное зацепление............................................26
- 4.1.5 Зубчатая передача..................................................27
- 4.2 Подбор чисел зубьев колес планетарной коробки передач..27
- 5. Проектирование кулачкового механизма............................30
- 5.1 Определение закона движения толкателя.......................... 30
- 5.2 Определение основных размеров кулачкового механизма по допустимому углу давления..........30
- 5.3 Построение конструктивного профиля кулачка по способу огибания..............31
- 5.4 Построение графика угла давления, проверка выполнения ограничения по допустимому углу.............31
- Заключение.....................33
- Литература.....................34
1. Техническое задание.
1.1 Описание машины
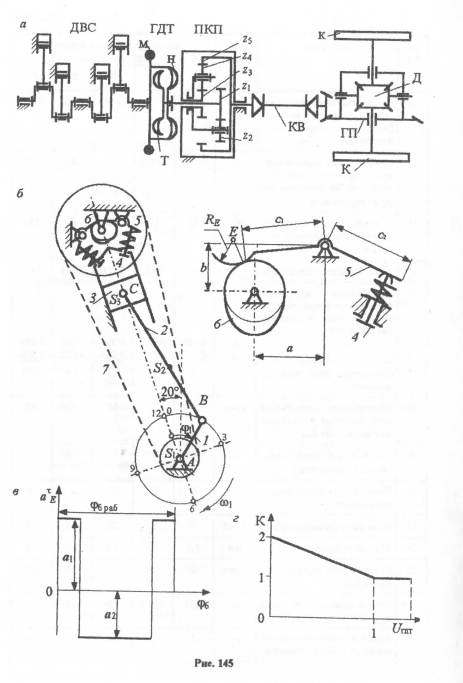
Легковой автомобиль среднего класса оснащен четырехтактным четырехцилиндровым бензиновым двигателем (ДВС) (рис. 1, а) и гидромеханической передачей (ГМП), которая состоит из гидродинамического трансформатора (ГДТ) крутящего момента и планетарной коробки передач (ПКП). Крутящий момент от ГМП к колесам (К) передается с помощью карданного вала (KB) через главную передачу (ГП) и дифференциал Д.Основной механизм двигателя состоит из четырех одинаковых кривошипно-ползунных механизмов, расположенных под углом 20° к вертикали на одном коленчатом валу со сдвигом в 180° (рис. 1, б), где 1 - кривошип; 2 - шатун; 3 - поршень; 4 - клапан; 5 - коромысло; 6 - кулачок; 7 - цепная передача. Рабочий цикл в каждом цилиндре двигателя совершается за два оборота коленчатого вала и характеризуется индикаторной диаграммой, данные для построения которой приведены в табл. 1.1. Порядок чередования процессов в цилиндрах двигателя представлен в таблице 1.2.
Управление процессом газораспределения осуществляется клапанами, приводимыми в движение кулачками на распределительном валу, кинематически связанном с коленчатым валом через цепную передачу (см. рис. 1, б). Движение от кулачка на клапан передается посредством качающегося толкателя (коромысла). Закон изменения ускорения клапана соответствует графику на рисунке 1, в.
Система смазки двигателя принудительная. Давление в ней создается с помощью шестеренчатого насоса, приводимого от коленчатого вала (на рисунке 1 не показан). Гидродинамический трансформатор состоит из насосного колеса Н (см. рис. 1, а), жестко соединенного с маховиком двигателя М, и турбинного колеса Т, закрепленного на входном валу планетарной коробки передач. Полость гидротрансформатора заполнена специальной жидкостью, которая разгоняется лопатками насосного колеса и направляется на лопатки турбинного колеса. При этом происходит увеличение крутящего момента, которое отображается безразмерной характеристикой коэффициента трансформации K = MT/MH в зависимости от передаточного отношения

Задание на проектирование:
- 1. Определить скорость автомобиля на установившемся режиме при постоянном сопротивлении движению.
- 2. Провести силовой анализ кривошипно-ползунного механизма двигателя за цикл.
- 3. Спроектировать зубчатую пару масляного насоса двигателя и подобрать числа зубьев z3, z4, z5 планетарного ряда в ПКП (U(3)5Н = 1,6, модуль колес принять т = 1 мм).
- 4. Спроектировать кулачковый механизм привода клапанов двигателя при условии получения минимальных габаритов.
а) наличие в трансмиссии ГДТ, в котором передача крутящего момента осуществляется посредством жидкости, не позволяет использовать одномассовую динамическую модель;
б) крутящий момент на насосном колесе за цикл работы двигателя можно считать постоянным.
Таблица 1.1
Данные для построения индикаторной диаграммы.
Положение Поршня | S/H | 0 | 0.025 | 0.05 | 0.1 | 0.2 | 0.3 | 0.4 | 0.5 | 0.6 | 0.7 | 0.8 | 0.9 | 1.0 |
Расширение | P1 / Pmax | 0,69 | 1,0 |
| 0,59 | 0,328 | 0,214 | 0,148 | 0,1 | 0,079 | 0,069 | 0,062 | 0,043 | 0,04 |
Выпуск | 0.013 | |||||||||||||
Всасывание | -0.013 | |||||||||||||
Сжатие | 0,626 |
| 0,36 | 0,26 | 0,13 | 0,061 | 0,024 | 0,013 | 0,009 | -0,002 | -0,008 | -0,01 | -0,013 |
Таблица 1.2
Чередование процессов в цилиндрах двигателя.
Угол поворота коленчатого вала, град. | 1-й цилиндр | 2-й цилиндр | 3-й цилиндр | 4-й цилиндр |
0-180 | Расширение | Сжатие | Выпуск | Всасывание |
180-360 | Выпуск | Расширение | Всасывание | Сжатие |
360-540 | Всасывание | Выпуск | Сжатие | Расширение |
540-720 | Сжатие | Всасывание | Расширение | Выпуск |
1.2 Исходные данные
В нижеследующей таблице 1.3 приведены все исходные данные необходимые для выполнения курсового проектирования.Таблица 1.3
Исходные данные для проектирования.
№ п/п | Величина | размерность | значение |
1 | Средняя скорость поршня VCcp | м/с | 14,5 |
2 | Отношение длины шатуна к длине кривошипа | - |
4,5 |
3 | Отношение расстояния от точки В до центра масс шатуна к длине шатуна | - | 0,3 |
4 | Диаметр цилиндра | м | 0,082 |
5 | Частота вращения коленчатого вала при номинальной нагрузке 1 | 1/с | 650 |
6 | Максимальное давление в цилиндре на заданном режиме движения pmax | МПа | 1,35 |
7 | Масса шатуна m2 | кг | 0,95 |
8 | Масса поршня m3 | кг | 0,75 |
9 | Момент инерции коленчатого вала, маховика и насосного колеса с частью жидкости J1 | кгм2 | 0,127 |
10 | Момент инерции шатуна относительно оси, проходящей через ц. м. шатуна J2S | кгм2 | 0,008 |
11 | Передаточное отношение ПКП UПКП | - | 4,0 |
12 | Передаточное отношение главной передачи UГП | - | 4,22 |
13 | Радиус колеса автомобиля rk | м | 0,293 |
14 | Суммарная сила сопротивления движению автомобиля, приложенная к ведущим колёсам Рсопр | Н | 2000 |
15 | Коэффициент неравномерности вращения коленчатого вала на заданном режиме движения | - | 0,01 |
16 | Угловая координата кривошипа для кривошипа | град | 330 |
17 | Высота подъёма клапана h | м | 0,01 |
18 | Координаты взаимного расположения распределительного вала и коромысел клапанов: a b |
м м |
0.036 0.025 |
19 | Отношение длин плеч коромысла с1/с2 | - | 1,75 |
20 | Максимально допустимый угол давления в кулачковом механизме | град | 45 |
21 | Соотношения между ускорениями толкателя | - | 3.5 |
22 | Числа зубьев колёс масляного насоса z1 = z2 | - | 10 |
23 | Угол наклона линии зуба | град | 10 |
24 | Модуль m колёс z1, z2 | мм | 5 |
25 | Рабочий угол профиля кулачка | град | 120 |
26 | Радиус сферической части коромысла клапана RE | м | 0,01 |
27 | Число сателлитов в планетарной коробке передач k | - | 3 |

Чертежи
Лист 1 - Определение закона движения ![]()
Лист 2 - Силовой расчет ![]()
Лист 3 - Проектирование зубчатой передачи ![]()
Лист 4 - Проектирование кулачкового механизма ![]()
Характеристики курсовой работы
Учебное заведение
Семестр
Номер задания
Вариант
Программы
Просмотров
781
Качество
Идеальное компьютерное
Размер
980,35 Kb
Список файлов
Проектирование и исследование механизмов двигателя с гидромеханической трансмиссией
Лист (1).cdw
Лист (2).cdw
Лист (3).cdw
Лист (4).cdw
РПЗ.doc

Вам все понравилось? Получите кэшбэк - 40 рублей на Ваш счёт при покупке. Поставьте оценку и напишите положительный комментарий к купленному файлу. После Вы получите деньги на ваш счет.