Для студентов по предмету Теоретические основы электротехники (ТОЭ)Рассчитать токи в ветвяхРассчитать токи в ветвях
5,0053273
2025-06-282025-06-28СтудИзба
Задача: Рассчитать токи в ветвях
Описание
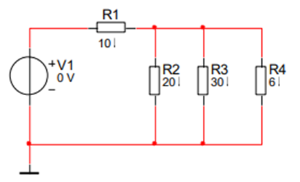
Рассчитать токи в ветвях, если R1 = 10 Oм, R2 = 20 Oм, R3 = 30 Oм, R4 = 6 Ом, I3 = 2 A.
![]()

Характеристики решённой задачи
Просмотров
1
Качество
Идеальное компьютерное
Размер
52,27 Kb
Список файлов
part-12.docx

Если нужен другой вариант работы или отдельная задача из любой работы, пишите в комментарии