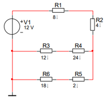
Для студентов по предмету Теоретические основы электротехники (ТОЭ)Рассчитать ток в сопротивлении R3Рассчитать ток в сопротивлении R3
5,0053273
2025-06-282025-06-28СтудИзба
Задача: Рассчитать ток в сопротивлении R3
Описание
Задача №7 Рассчитать ток в сопротивлении R3, если E1 = 20 B, R1 = 8 Ом, R3 = 12 Ом, R4 = 24 Ом, R5 = 18 Oм, R6 = 2 Oм, R0 = 1 Ом.
![]()

Характеристики решённой задачи
Просмотров
1
Качество
Идеальное компьютерное
Размер
90,74 Kb
Список файлов
part-7.docx

Если нужен другой вариант работы или отдельная задача из любой работы, пишите в комментарии