Для студентов по предмету Теоретические основы электротехники (ТОЭ)Каково внутреннее сопротивление R0 источника электроэнергии на рисункеКаково внутреннее сопротивление R0 источника электроэнергии на рисунке
5,0053273
2025-06-282025-06-28СтудИзба
Задача: Каково внутреннее сопротивление R0 источника электроэнергии на рисунке
Описание
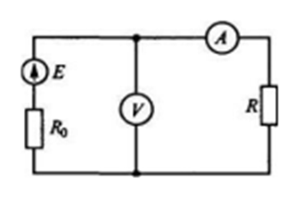
Задача №5 Каково внутреннее сопротивление R0 источника электроэнергии на рисунке, если при токе нагрузки 5 А вольтметр показывает 48 В, а при токе 10 А – 46 В?
![]()

Характеристики решённой задачи
Просмотров
1
Качество
Идеальное компьютерное
Размер
57,36 Kb
Список файлов
part-5.docx

Если нужен другой вариант работы или отдельная задача из любой работы, пишите в комментарии