Для студентов по предмету Теоретические основы электротехники (ТОЭ)Известны показания вольтметровИзвестны показания вольтметров
5,0053332
2025-02-202025-02-20СтудИзба
Задача: Известны показания вольтметров
Описание
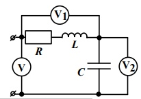
В цепи резонанс
Известны показания вольтметров: UV2 = 50 (В); UV = 50 (В)
При помощи векторной диаграммы определить показание вольтметра UV1.
![]()
Известны показания вольтметров: UV2 = 50 (В); UV = 50 (В)
При помощи векторной диаграммы определить показание вольтметра UV1.

Характеристики решённой задачи
Просмотров
2
Качество
Идеальное компьютерное
Размер
45,11 Kb
Список файлов
1151698.docx

Если нужен другой вариант работы или отдельная задача из любой работы, пишите в комментарии