Для студентов по предмету Теоретические основы электротехники (ТОЭ)На рис. 1.14 приведена схема соединения резисторов.На рис. 1.14 приведена схема соединения резисторов.
5,0053151
2025-01-242025-01-24СтудИзба
Задача: На рис. 1.14 приведена схема соединения резисторов.
Описание
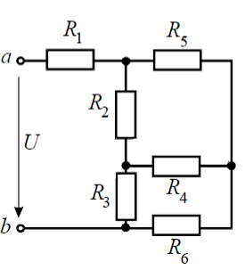
На рис. 1.14 приведена схема соединения резисторов. Определить эквивалентное сопротивление цепи Rэкв, падение напряжения на U и ток в каждом резисторе I, мощность, потребляемую цепью Р, если дано: напряжение источника U=110 В, R1=5 Ом; R2=20 Ом; R3=40 Ом; R4=20 Ом; R5=200 Ом; R6=150 Ом. Показать на схеме направление токов во всех ветвях цепи. 1.
![]()

Характеристики решённой задачи
Просмотров
1
Качество
Идеальное компьютерное
Размер
310,05 Kb
Список файлов
magnitnye-cepi-emkosti-nelineynye-soprotivleniya-4-8.pdf

Если нужен другой вариант работы или отдельная задача из любой работы, пишите в комментарии