Для студентов по предмету Теоретические основы электротехники (ТОЭ)Вольтамперная характеристика нелинейного элемента, входящего в состав разветвленной цепи, аппроксимирована аналитическим выражением U=A+BI+CI2. РассчиВольтамперная характеристика нелинейного элемента, входящего в состав разветвленной цепи, аппроксимирована аналитическим выражением U=A+BI+CI2. Рассчи
5,00517992
2022-04-222022-04-22СтудИзба
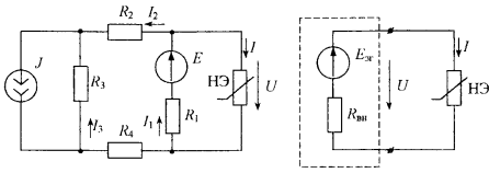
Вольтамперная характеристика нелинейного элемента, входящего в состав разветвленной цепи, аппроксимирована аналитическим выражением U=A+BI+CI2. Рассчитать токи.
Описание
Вольтамперная характеристика нелинейного элемента, входящего в состав разветвленной цепи, аппроксимирована аналитическим выражением U=A+BI+CI2. Рассчитать токи. ![]()
Характеристики решённой задачи
Просмотров
2
Размер
78,5 Kb
Список файлов
Задача.doc
