Для студентов МГТУ им. Н.Э.Баумана по предмету Технология машиностроения (ТМ)Вариант ТМ10Вариант ТМ10
5,00532
2017-12-272017-12-27СтудИзба
ДЗ: Вариант ТМ10 вариант 10
Описание
Домашнее задание по курсу «Спецтехнология»
Вариант ТМ10
- 1. Анализ технических требований, выявление технологических задач, составление схем контроля основных параметров взаимного расположения поверхностей.
- 2. Анализ технологичности конструкции.
- 3. Выбор метода получения заготовки.
- 4. Выбор маршрута обработки основных поверхностей детали.
- 5. Разработка общего маршрута изготовления детали.
- 6. Определение припусков.
- Список использованной литературы.
Характеристики домашнего задания
Учебное заведение
Вариант
Просмотров
811
Качество
Идеальное компьютерное
Размер
1,03 Mb
Список файлов
spteh.dwg
Спецтех.doc

Зарабатывай на студизбе! Просто выкладывай то, что так и так делаешь для своей учёбы: ДЗ, шпаргалки, решённые задачи и всё, что тебе пригодилось.
Начать зарабатывать
Начать зарабатывать
Комментарии

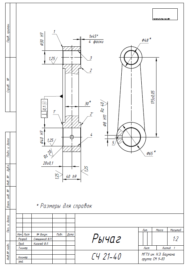
Деталь - рычаг, не вилка.

Здравствуйте. Деталь вилка? Какой именно материал и тип производства в задании?