Для студентов МГТУ им. Н.Э.Баумана по предмету Технология листовой штамповки (ТЛШ) (МТ-6)Исследование многопереходной вытяжки с утонениемИсследование многопереходной вытяжки с утонением
5,0051
2021-01-182021-01-19СтудИзба
Курсовая работа: Исследование многопереходной вытяжки с утонением
Описание
Курсовой проект - Исследование многопереходной вытяжки с утонением
Все файлы только в PDF
Аннотация
Содержание
- Введение …………………………………………………………..................4
- Анализ чертежа детали.............................................................. 5
- Технологическая часть................................................................ 6
- Исследовательская часть.......................................................... 11
- Конструкторская часть................................................................ 21
- Заключение....................................................................................... 23
- Список основных источников литературы...................... 24
- Приложения...................................................................................... 25
Введение
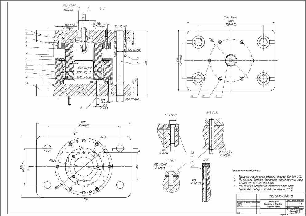
Для исследования и разработки технологического процесса был получен чертеж кожуха масляного фильтра, производимого мелкими партиями или единично, используя сварочное производство. Задача курсового проекта состояла в разработке процесса производства данного фильтра, но с учетом серийной потребности. Одним из наиболее перспективных решений, в данных условиях, являются технологии листовой штамповки. Они позволяют кроме получения лучших свойств металла и заданных размеров, избежать проблемы коррозии сварных швов. Для этого была составлена технологическая карта, включающая пять переходов вытяжки (в том числе три – с утонением), вырубку детали из полосы и окончательную правку. Разработаны чертежи штампов для двух переходов, а также деталировка рабочих инструментов. Произведение исследование, заключающееся в сравнение результатов моделирования (силы деформирования) в программном комплексе QForm, аналитически, и по расчетным формулам.
Чертежи
1. Технологическая карта ![]()
2. Штамп для вырубки и вытяжки
3. Штамп для вытяжки с утонением ![]()
4. Исследование ![]()
5. Деталировка ![]()
Характеристики курсовой работы
Учебное заведение
Программы
Просмотров
49
Качество
Идеальное компьютерное
Размер
3,87 Mb
Список файлов
1.Технологическая карта.pdf
2.Штамп для вырубки и вытяжки.pdf
3.Штамп для вытяжки с утонением.pdf
4.Исследование.pdf
5.Деталировка.pdf
РПЗ.pdf

Вам все понравилось? Получите кэшбэк - 40 рублей на Ваш счёт при покупке. Поставьте оценку и напишите положительный комментарий к купленному файлу. После Вы получите деньги на ваш счет.