Для студентов РУТ (МИИТ) по предмету Технология конструкционных материалов (ТКМ)Разработка технологии получения отливок в песчано-глинистых формахРазработка технологии получения отливок в песчано-глинистых формах
2025-05-072025-05-07СтудИзба
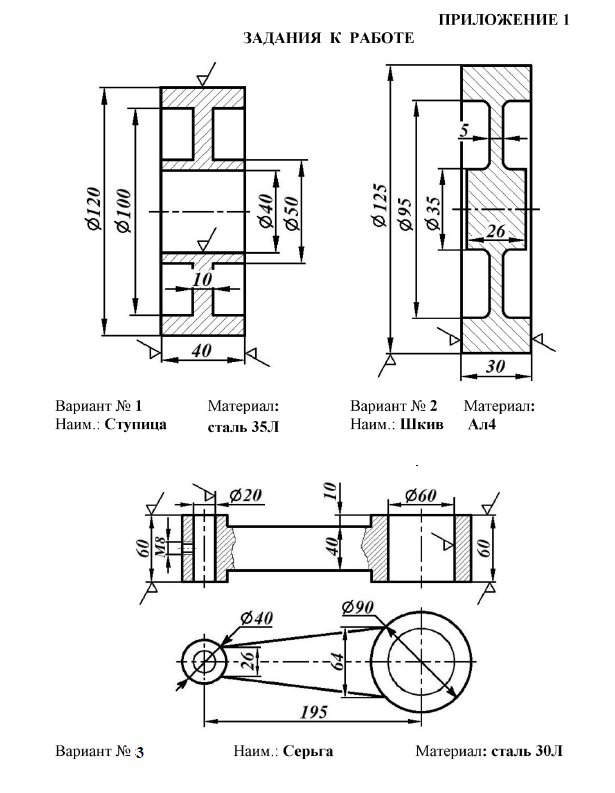
Вопросы/задания к заданиям 1: Разработка технологии получения отливок в песчано-глинистых формах
Описание

Характеристики вопросов/заданий к заданиям
Учебное заведение
Номер задания
Программы
Просмотров
8
Качество
Идеальное компьютерное
Размер
7,45 Mb
Список файлов

Вам все понравилось? Получите кэшбэк - 40 рублей на Ваш счёт при покупке. Поставьте оценку и напишите положительный комментарий к купленному файлу. После Вы получите деньги на ваш счет.