Для студентов МГТУ им. Н.Э.Баумана по предмету Технология конструкционных материалов (ТКМ)Механическая обработка заготовок деталей машин - ВтулкаМеханическая обработка заготовок деталей машин - Втулка
5,0055
2022-02-082022-02-08СтудИзба
ДЗ 3: Механическая обработка заготовок деталей машин - Втулка вариант 41
Описание
Преподаватель: Бугаев А.М.
год: 2021
К текстовому документу решения домашнего задания прилагаются рисунки, на которые есть ссылки в тексте решения, рисунки выполнены в формате чертежей на А4 с основной надписью (там желательно вписать свою фамилию и фамилию преподавателя).
Условие:
год: 2021
К текстовому документу решения домашнего задания прилагаются рисунки, на которые есть ссылки в тексте решения, рисунки выполнены в формате чертежей на А4 с основной надписью (там желательно вписать свою фамилию и фамилию преподавателя).
Условие:
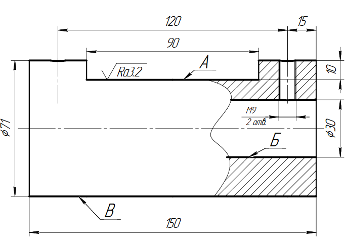
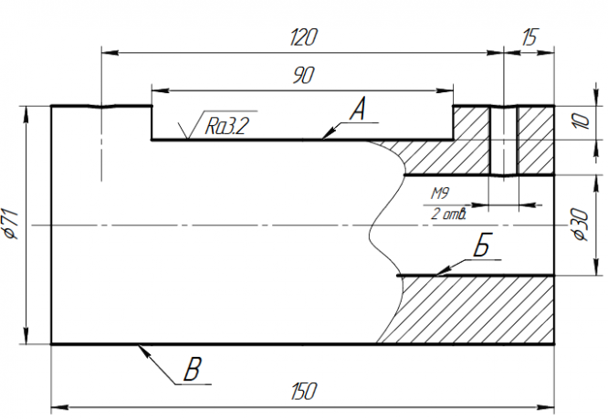
Задача №1. "Втулка" (рис. 41).
Для поверхностей (А, Б, В), указанных на чертеже, выбрать методы и способы их обработки согласно требованиям к точности размеров и шероховатости поверхности, установленным чертежом детали.
С учетом типа производства или объема выпуска для выбранных способов обработки указанных поверхностей назначить и обосновать тип оборудования, режущего инструмента, составить рациональные схемы обработки этих поверхностей и разработать последовательность обработки каждой из поверхностей, начиная от заготовки.
Задача №2.
По чертежу оценить технологичность детали и дать свои предложения по ее изменению с целью улучшения технологичности и начертить чертёж измененной конструкции детали.
Характеристики домашнего задания
Учебное заведение
Номер задания
Вариант
Просмотров
202
Качество
Идеальное компьютерное
Размер
204,38 Kb
Список файлов
ДЗ №1.docx
Рисунок 1.pdf
Рисунок 2.pdf
Рисунок 3.pdf
МГТУ им. Н.Э.Баумана



















