Для студентов МГТУ им. Н.Э.Баумана по предмету Технология конструкционных материалов (ТКМ)Разработка технологии изготовления отливок - ФланецРазработка технологии изготовления отливок - Фланец
5,0055
2020-07-062024-09-01СтудИзба
ДЗ 1: Разработка технологии изготовления отливок - Фланец вариант 16, 22
-51%
Описание
Задание и исходные данные
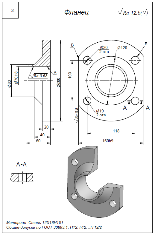
Разработать технологию изготовления отливки. Исходные данные заданы в виде чертежа детали, которую необходимо получить. Содержание
- Анализ чертежа детали.
- Выбор способа изготовления отливки.
- Составление чертежа элементов литейной формы.
- Проектирование литниковой системы.
- Проверка технологичности литой заготовки.
Чертежи
- Деталь
- Отливка
- Литейная форма
Характеристики домашнего задания
Учебное заведение
Номер задания
Программы
Просмотров
353
Качество
Идеальное компьютерное
Размер
271,87 Kb
Список файлов
ДЗ.doc
Чертежи.dwg

Вам все понравилось? Получите кэшбэк - 40 рублей на Ваш счёт при покупке. Поставьте оценку и напишите положительный комментарий к купленному файлу. После Вы получите деньги на ваш счет.