Для студентов МГТУ им. Н.Э.Баумана по предмету Сопротивление материаловЗадача 1.2Задача 1.2
4,96529744
2025-08-262025-08-26СтудИзба
Задача 1.2 вариант 11
-40%
Описание


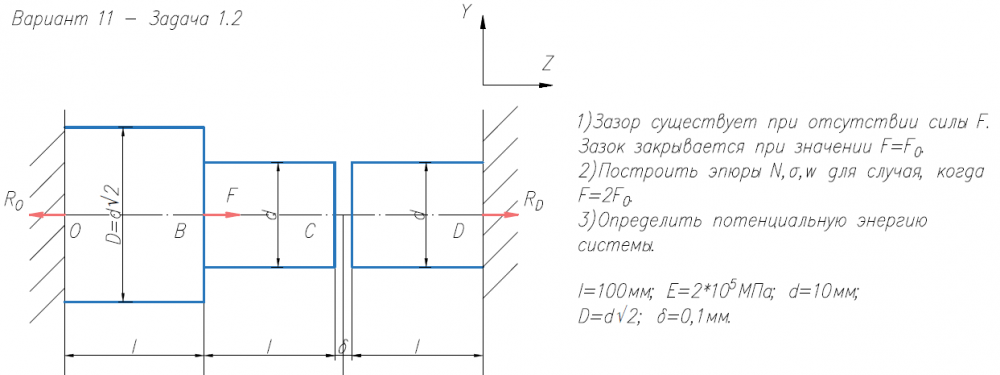
1)Зазор существует при отсутствии силы F. Зазок закрывается при значении F=F/0. 2)Построить эпюры N,σ,w для случая, когда F=2F/0. 3)Определить потенциальную энергию системы. l=100мм; E=2*105/МПа; d=10мм; D=d√2; δ=0,1мм..
Характеристики решённой задачи
Предмет
Учебное заведение
Семестр
Номер задания
Вариант
Программы
Теги
Просмотров
2
Качество
Идеальное компьютерное
Размер
219,6 Kb
Преподаватели
Список файлов
Вариант 11 - Задача 1.2.pdf

Вам все понравилось? Получите кэшбэк - 40 рублей на Ваш счёт при покупке. Поставьте оценку и напишите положительный комментарий к купленному файлу. После Вы получите деньги на ваш счет.