Для студентов МГТУ им. Н.Э.Баумана по предмету Сопротивление материаловЗадача 2.2Задача 2.2
4,96529383
2024-11-052025-09-05СтудИзба
Задача 2.2 вариант 14
-40%
Описание


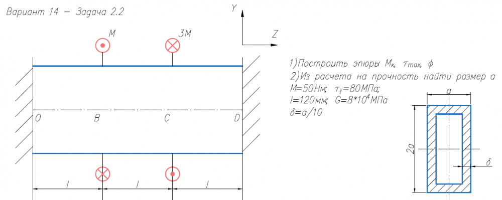
1)Построить эпюры М/к, τ/max, φ 2)Из расчета на прочность найти размер a М=50Нм; τ/Т=80МПа; l=120мм; G=8*104/МПа δ=a/10 .
Характеристики решённой задачи
Предмет
Учебное заведение
Семестр
Номер задания
Вариант
Программы
Теги
Просмотров
14
Качество
Идеальное компьютерное
Размер
151,54 Kb
Преподаватели
Список файлов
Вариант 14 - Задача 2.2.pdf

Вам все понравилось? Получите кэшбэк - 40 рублей на Ваш счёт при покупке. Поставьте оценку и напишите положительный комментарий к купленному файлу. После Вы получите деньги на ваш счет.