Для студентов МГТУ им. Н.Э.Баумана по предмету Сопротивление материаловЗадача 2.2Задача 2.2
4,96530212
2024-11-052025-10-20СтудИзба
Задача 2.2 вариант 2
-50%
Описание


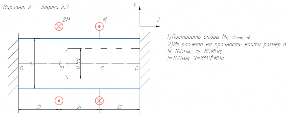
1)Построить эпюры М/к, τ/max, φ 2)Из расчета на прочность найти размер d М=100Нм; τ/Т=80МПа; l=100мм; G=8*104/МПа.
Характеристики решённой задачи
Предмет
Учебное заведение
Семестр
Номер задания
Вариант
Программы
Теги
Просмотров
14
Качество
Идеальное компьютерное
Размер
176,83 Kb
Преподаватели
Список файлов
Вариант 2 - Задача 2.2.pdf

Вам все понравилось? Получите кэшбэк - 40 рублей на Ваш счёт при покупке. Поставьте оценку и напишите положительный комментарий к купленному файлу. После Вы получите деньги на ваш счет.