Для студентов МГТУ им. Н.Э.Баумана по предмету Сопротивление материаловЗадача 2.2Задача 2.2
4,96530212
2024-11-052025-10-20СтудИзба
Задача 2.2 вариант 16
-50%
Описание


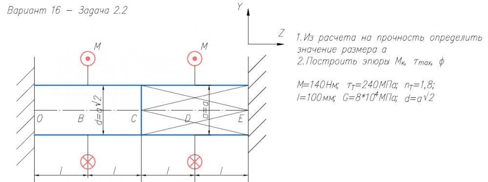
1.Из расчета на прочность определить значение размера a 2.Построить эпюры М/к, τ/max, φ М=140Нм; τ/Т=240МПа; n/Т=1,8; l=100мм; G=8*104/МПа; d=a√2.
Характеристики решённой задачи
Предмет
Учебное заведение
Семестр
Номер задания
Вариант
Программы
Теги
Просмотров
10
Качество
Идеальное компьютерное
Размер
249,26 Kb
Преподаватели
Список файлов
Вариант 16 - Задача 2.2.pdf

Вам все понравилось? Получите кэшбэк - 40 рублей на Ваш счёт при покупке. Поставьте оценку и напишите положительный комментарий к купленному файлу. После Вы получите деньги на ваш счет.