Для студентов МГТУ им. Н.Э.Баумана по предмету Сопротивление материаловЗадача 2.2Задача 2.2
4,96529459
2024-11-052025-09-05СтудИзба
Задача 2.2 вариант 11
-40%
Описание


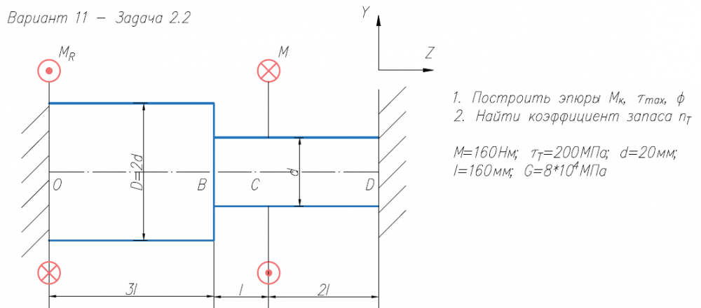
1. Построить эпюры М/к, τ/max, φ 2. Найти коэффициент запаса n/Т М=160Нм; τ/Т=200МПа; d=20мм; l=160мм; G=8*104/МПа .
Характеристики решённой задачи
Предмет
Учебное заведение
Семестр
Номер задания
Вариант
Программы
Теги
Просмотров
15
Качество
Идеальное компьютерное
Размер
142,64 Kb
Преподаватели
Список файлов
Вариант 11 - Задача 2.2.pdf

Вам все понравилось? Получите кэшбэк - 40 рублей на Ваш счёт при покупке. Поставьте оценку и напишите положительный комментарий к купленному файлу. После Вы получите деньги на ваш счет.