Для студентов МГТУ им. Н.Э.Баумана по предмету Сопротивление материаловЗадача 2.2Задача 2.2
4,96529744
2024-11-052025-09-05СтудИзба
Задача 2.2 вариант 7
-40%
Описание


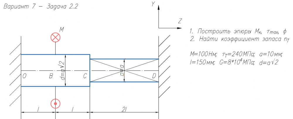
1. Построить эпюры М/к, τ/max, φ 2. Найти коэффициент запаса n/Т М=100Нм; τ/Т=240МПа; a=10мм; l=150мм; G=8*104/МПа; d=a√2.
Характеристики решённой задачи
Предмет
Учебное заведение
Семестр
Номер задания
Вариант
Программы
Теги
Просмотров
9
Качество
Идеальное компьютерное
Размер
220,93 Kb
Преподаватели
Список файлов
Вариант 7 - Задача 2.2.pdf

Вам все понравилось? Получите кэшбэк - 40 рублей на Ваш счёт при покупке. Поставьте оценку и напишите положительный комментарий к купленному файлу. После Вы получите деньги на ваш счет.