Для студентов МГТУ им. Н.Э.Баумана по предмету Сопротивление материаловЗадача 2.2Задача 2.2
4,96530079
2024-11-052025-09-05СтудИзба
Задача 2.2 вариант 3
-40%
Описание


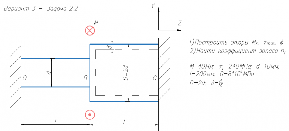
1)Построить эпюры М/к, τ/max, φ 2)Найти коэффициент запаса n/Т М=40Нм; τ/Т=240МПа; d=10мм; l=200мм; G=8*104/МПа D=2d; δ=d/16 .
Характеристики решённой задачи
Предмет
Учебное заведение
Семестр
Номер задания
Вариант
Программы
Теги
Просмотров
17
Качество
Идеальное компьютерное
Размер
194,08 Kb
Преподаватели
Список файлов
Вариант 3 - Задача 2.2.pdf

Вам все понравилось? Получите кэшбэк - 40 рублей на Ваш счёт при покупке. Поставьте оценку и напишите положительный комментарий к купленному файлу. После Вы получите деньги на ваш счет.