Задача: Расчетно графическая работа. Рассчет статически неопределимой шарнирн- стержневой системы Вариант 281
Описание
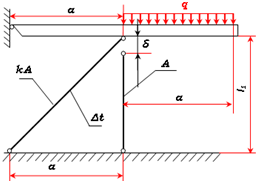
№варианта | Расчетнаясхема | l, м | l1, м | а,м | К | q,кН/м | Δt, оС | δ, 10-4м |
281 | | - | 1,5 | 0,9 | 2 | 15 | 20 | 4,0 |
Файлы условия, демо
Характеристики решённой задачи
Предмет
Просмотров
4
Размер
246,84 Kb
Список файлов
Стержневая 281.docx
Комментарии
Нет комментариев
Стань первым, кто что-нибудь напишет!

buldigerov



















