Для студентов МГТУ им. Н.Э.Баумана по предмету Сопротивление материаловЗадача 3Задача 3
5,0051
2023-08-202024-11-27СтудИзба
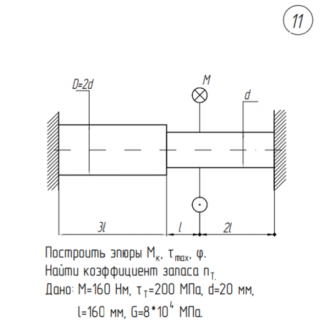
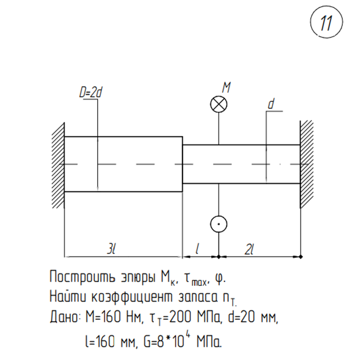
Задача 3 вариант 11
-58%
Описание
Характеристики решённой задачи
Предмет
Учебное заведение
Семестр
Номер задания
Вариант
Теги
Просмотров
23
Качество
Идеальное компьютерное
Размер
153,84 Kb
Список файлов
Задача3-вар11.docx

Ваше удовлетворение является нашим приоритетом, если вы удовлетворены нами, пожалуйста, оставьте нам 5 ЗВЕЗД и позитивных комментариев. Спасибо большое!. Смотрите файлы в моем профиле, там есть много полезных !