Для студентов МГТУ им. Н.Э.Баумана по предмету Сопротивление материаловЗадача 4.1Задача 4.1
5,0051
2023-08-112024-11-15СтудИзба
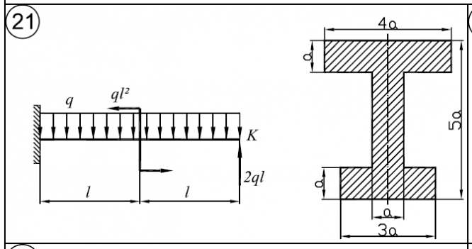
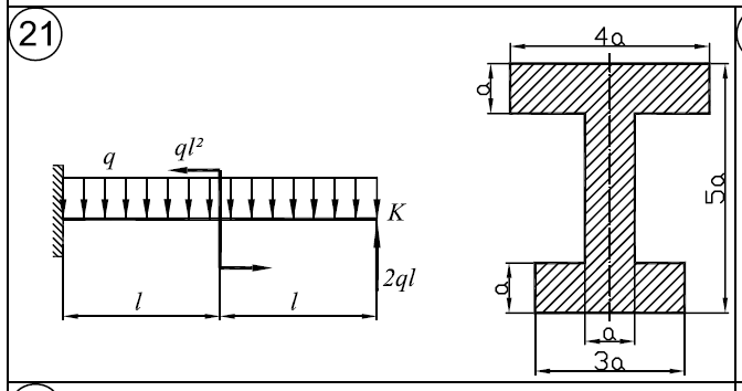
Задача 4.1 вариант 21
-38%
Описание


Для заданной балки требуется: 1)Построить эпюры Q/y и M/x. 2)Определить размер а сечения при q=3кН/м; l=0,4м; n/Т=2; σ/Тр=σ/Тсж=300МПа. 3)Определить линейное перемещение сечения К E=2*105/МПа 4)Нарисовать форму оси балки .
Характеристики решённой задачи
Предмет
Учебное заведение
Семестр
Номер задания
Вариант
Программы
Теги
Просмотров
27
Качество
Идеальное компьютерное
Размер
245,65 Kb
Список файлов
Вариант 21 - Задача 4.1.pdf

Вам все понравилось? Получите кэшбэк - 40 рублей на Ваш счёт при покупке. Поставьте оценку и напишите положительный комментарий к купленному файлу. После Вы получите деньги на ваш счет.