Для студентов МГТУ им. Н.Э.Баумана по предмету Сопротивление материаловЗадача 2.1Задача 2.1
5,0051
2023-08-102024-11-23СтудИзба
Задача 2.1 вариант 11
-40%
Описание


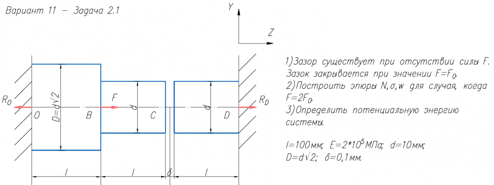
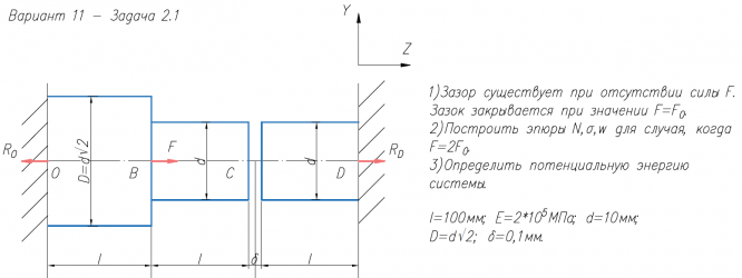
1)Зазор существует при отсутствии силы F. Зазок закрывается при значении F=F/0. 2)Построить эпюры N,σ,w для случая, когда F=2F/0. 3)Определить потенциальную энергию системы. l=100мм; E=2*105/МПа; d=10мм; D=d√2; δ=0,1мм..
Характеристики решённой задачи
Предмет
Учебное заведение
Семестр
Номер задания
Вариант
Программы
Теги
Просмотров
49
Качество
Идеальное компьютерное
Размер
218,46 Kb
Список файлов
Вариант 11 - Задача 2.1.pdf

Вам все понравилось? Получите кэшбэк - 40 рублей на Ваш счёт при покупке. Поставьте оценку и напишите положительный комментарий к купленному файлу. После Вы получите деньги на ваш счет.