Для студентов МГТУ им. Н.Э.Баумана по предмету Сопротивление материаловЗадача 3Задача 3
4,96529766
2023-08-092024-11-23СтудИзба
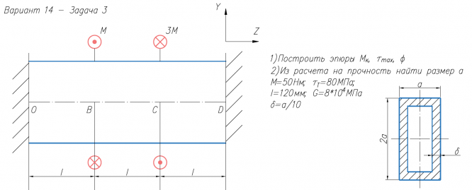
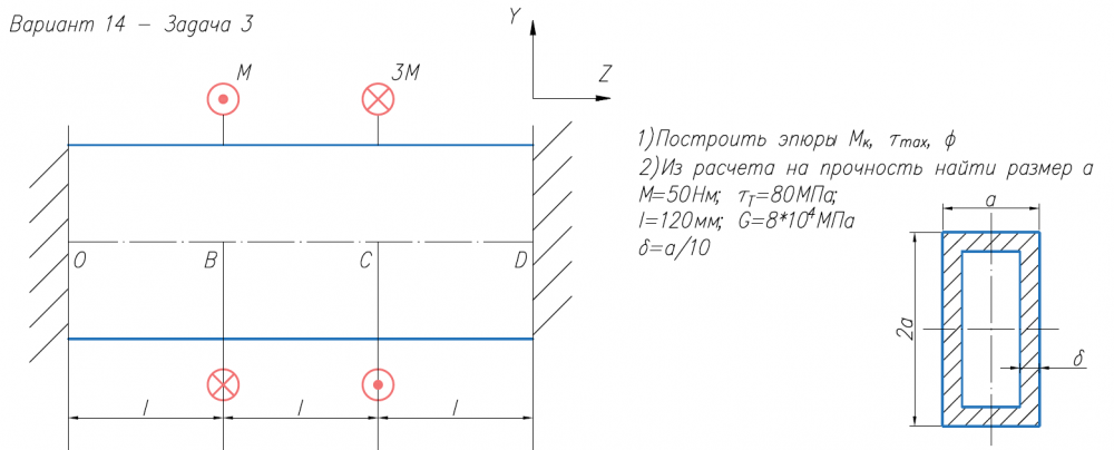
Задача 3 вариант 14
-40%
Описание


1)Построить эпюры М/к, τ/max, φ 2)Из расчета на прочность найти размер a М=50Нм; τ/Т=80МПа; l=120мм; G=8*104/МПа δ=a/10 .
Характеристики решённой задачи
Предмет
Учебное заведение
Семестр
Номер задания
Вариант
Программы
Теги
Просмотров
17
Качество
Идеальное компьютерное
Размер
151,45 Kb
Список файлов
Вариант 14 - Задача 3.pdf

Вам все понравилось? Получите кэшбэк - 40 рублей на Ваш счёт при покупке. Поставьте оценку и напишите положительный комментарий к купленному файлу. После Вы получите деньги на ваш счет.