Для студентов МГТУ им. Н.Э.Баумана по предмету Сопротивление материаловЗадача 4.2Задача 4.2
5,0055
2013-11-092024-09-07СтудИзба
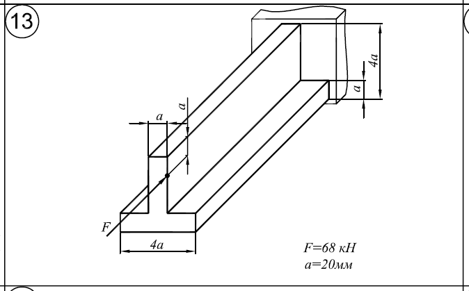
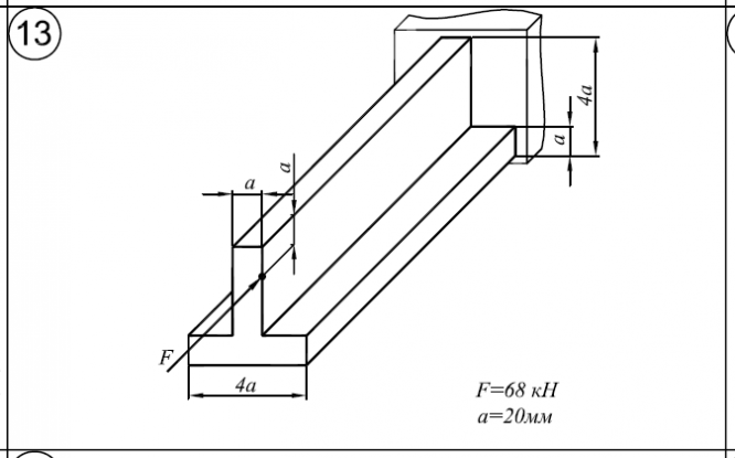
Задача 4.2 вариант 13
-48%
Описание
Характеристики решённой задачи
Предмет
Учебное заведение
Семестр
Номер задания
Вариант
Теги
Просмотров
1231
Качество
Фото рукописных листов
Размер
6,22 Mb
Список файлов
4.2.pdf
(4.2).pdf

Вам все понравилось? Получите кэшбэк - 40 рублей на Ваш счёт при покупке. Поставьте оценку и напишите положительный комментарий к купленному файлу. После Вы получите деньги на ваш счет.