Для студентов МГТУ им. Н.Э.Баумана по предмету Сопротивление материаловКручениеКручение
4,96529744
2025-09-042025-09-05СтудИзба
ДЗ 2: Кручение вариант 24
-47%
Описание
Нужна только одна задача из всех? - Нажимай на ссылку
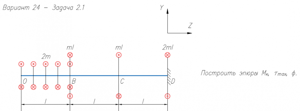
- Задача 2.1 решена в двух вариантах расположения консольной опоры - слева и справа
![]() | ![]() |
Образец ![]()

Построить эпюры М/к, τ/max, φ.; 1. При каком значении момента Х угол поворота сечения С будет равен нулю? 2. Построить эпюры М/к, τ/max, φ при найденном значении Х 3. Определить диаметр, из условия прочности М=120Нм; l=0,16м; δ=d/15; G=8*104/МПа; [τ]=80МПа.
Файлы условия, демо
Характеристики домашнего задания
Предмет
Учебное заведение
Семестр
Номер задания
Вариант
Программы
Теги
Просмотров
6
Качество
Идеальное компьютерное
Размер
828,26 Kb
Преподаватели
Список файлов
Вариант 24 - Задача 2.1 - 1.pdf
Вариант 24 - Задача 2.1 - 2.pdf
Вариант 24 - Задача 2.2.pdf
Вариант 24 - Кручение.pdf

Вам все понравилось? Получите кэшбэк - 40 рублей на Ваш счёт при покупке. Поставьте оценку и напишите положительный комментарий к купленному файлу. После Вы получите деньги на ваш счет.