Для студентов МГТУ им. Н.Э.Баумана по предмету Сопротивление материаловСтатически определимые балкиСтатически определимые балки
5,00518
2023-11-242025-03-04СтудИзба
ДЗ 3: Статически определимые балки вариант 4
-55%
Описание
Зачтено на максимальный балл🌞🌞🌞
Спасибо за покупку 😍 😍😍😍😍🔥🔥🔥🔥
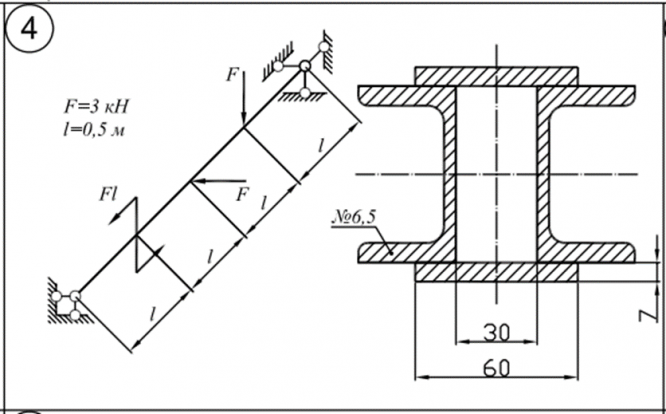
Задача 4.1



Пример решения
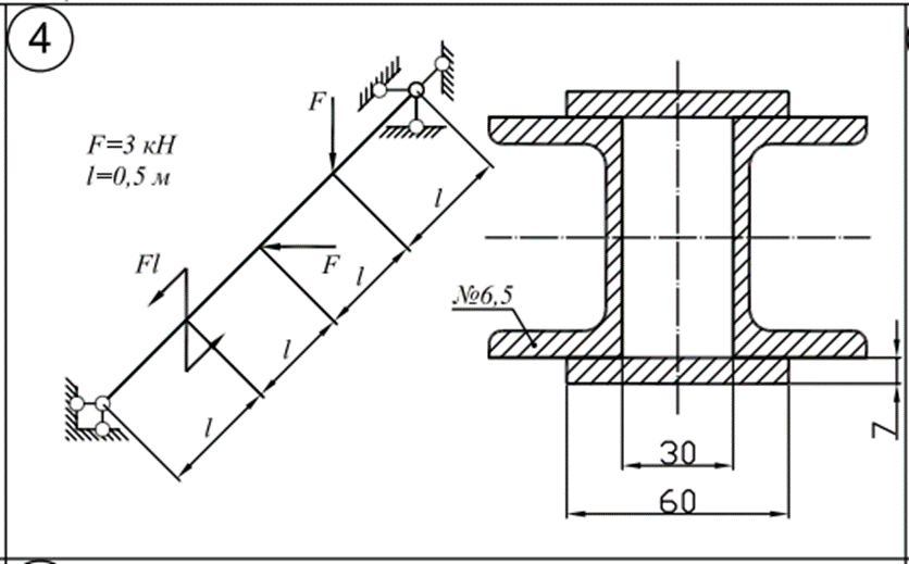
Задача 4.1




Характеристики домашнего задания
Предмет
Учебное заведение
Семестр
Номер задания
Вариант
Программы
Теги
Просмотров
214
Качество
Идеальное компьютерное
Размер
357,69 Kb
Список файлов
Вариант 4 - задача 4-1.docx
Вариант 4 - задача 4-2.docx

Ваше удовлетворение является нашим приоритетом, если вы удовлетворены нами, пожалуйста, оставьте нам 5 ЗВЕЗД и позитивных комментариев. Спасибо большое!. Смотрите файлы в моем профиле, там есть много полезных !